近鉄最後の単位スイッチ制御廃止と単位スイッチ制御略史

白井 昭(産業考古学会・中部産業遺産研究会会員)

はじめに

 2002年4月をもって近畿日本鉄道(以下、近鉄)に残っていた最後の単位スイッチ式ABF制御器が廃止された。一時代を画する歴史的なこの機会に産業考古学の資料として構成に残すため、その動作のビデオ撮影を行った。
 今や第一世代の総括制御装置であるHL、デッカーの電動カム、GEのMコントロールだけでなく、CS−1などPCコントロールも次々と無くなりつつあり、世代交代を終わろうとしている。
 ここで失われるものは動く状態の主制御器などの現物と、今ひとつは電気回路結線図であって、広く電鉄研究の皆様に蒐集保存を訴えたい。
 名古屋鉄道(以下、名鉄)には100両以上あったHL車であるが、簡単にHL云々と言っても今ではHLとは何ぞや、機器は、回路はと言っても簡単には見つからない現状である。将来HL制御を知らずにHL車を論ずるようになっては大変である。
 今や現役で動くHL車として名鉄のモ510形は貴重だが、これも余命は長くない。伊那松島に元省電モハ1が美しく保存され、GEのMコントロールが付いているが、その電気回路図は公開されていない。
 機器はあっても結線図が無ければ価値半減で、ツナギさえあれば全ては一目瞭然である。また機器はあっても動態保存で動くところが見られないので、動画での保存を提案したい。
 今回私が製作した近鉄ABFビデオ記録はその一例である。
 次の問題は保存を担当する責任部署であるが、工場、乗務区、教習所に拘わらず、現業では現車の廃車と共に現物、図面とも失われる。そこで各鉄道、メーカーの技術部、資料室や産業博物館などで責任保存する体制を作る必要がある。
 これらは電鉄技術に関する産業考古学と言える。 

近鉄1450系ABF制御器

 今回廃止になるABF22制御装置は、1954年より近鉄モ1450形で開発され、以後モ1460、1470、1480、2470形まで製作された単位スイッチABFの最終段階の作品である。
 1954年頃の世界の大勢は単位スイッチからカムにやや傾きつつあったが、近鉄、特に大阪線は長い単位スイッチの伝統と抑速ブレーキなどの諸条件から単位スイッチABFを選択し、その後も新造を続け長期間使用した。
 モ1450形は大阪線用通勤者で、近鉄でも他線ではカム化しつつあったが、単位スイッチの選択は共通部品として補修に有利なこと、抑速ブレーキの戻しノッチでの電流遮断が容易なことなどがあったと思われる。
 前世代の日本の電車制御器は、省電〜国電が湘南形初期に至るまで大量にGE・PC系が用いられ、私鉄ではHLとカムが混用された中で、地下鉄のABF、ABFM、小田急電鉄、京王電鉄などのHL、ABF、南海電鉄のALF、ALM、名古屋鉄道のHL、ABFM、神戸電鉄、西日本鉄道などで単位スイッチ制御の世界があった。
 この中でも単位スイッチ王国と言えるのは帝都高速度交通営団(以下、営団)と近鉄であって、日本の制御器界にあって一つの世界を構成していた。

 写真1 近鉄モ2470系

 写真2 モ2470系のスイッチグループ

写真2はモ2470系のスイッチグループのアークシュートを外したところである。左端にシーケンスドラムがある。

近鉄におけるABFの歴史

 近鉄におけるウエスチングハウスの電空単位スイッチ制御の最初は、1923年、大阪鉄道(以下、大鉄)のモ5611形(以下、近鉄に統合後の形式で示す)の1500V・HLから始まり、次いでモ5621形のAL、1929年のモ6601形よりウエスチングハウスのALFを大量に採用した。

 写真3 ウエスチングハウス製のALFを付けた近鉄モ6601系

 AL、ALFでは何れも電空式のシーケンスドラム(順序開閉器、制御円筒)を用いる方式であった。一方近鉄奈良線では1930年代より大量のHLFを使用した。
 1930年のデ2200形は三菱電機製のABFで、勾配区間用に8ノッチの抑速を備え、抑速ノッチはマスコンから直接単位スイッチを制御し、戻しも自由であった。この製品は後の1400形のABFと共に200HP×4個用であって、戦後は200HP×8まで現れたが、戦前としては大容量の制御装置であった。
 戦後、1953年のモ2250形のABF17ではシーケンスドラムの駆動をパイロットモーター化した以外はモ2200に準じていた。
 1954年のモ1450形は初めてのWN駆動、1C8M制御など、以後の標準となるべきいわゆる新性能電車の試作車であったが、制御器は2250のABFをベースに単位スイッチのままで多段化、ダイナミックブレーキ常用、プラス抑速電制とし、機器はウエスチングハウスの新系列に準ずるものとし、営団300系に並ぶ全く新しいABFとなった。
 抑速電制は単位スイッチによるマニュアル5ノッチ制御(後に2ノッチ化)であるが、マスコン直結でなくシーケンスドラム制御とし、且つPMの正逆転で戻しも可能とする作品で、ドラム式ABFの最終段階の製品と言える。
 以後、二階建て20100形ビスタカー「あおぞら」を含め、1967年まで十余年、三菱電機により新造を続け、シーケンスドラムもカム化されて、開発から40年余の2002年まで活躍を続けてきた。この開発は近鉄の赤尾部長(故人)と三菱電機の努力によりウエスチングハウス社に無いものを生み出した。
 近鉄では電空ドラムのモ6300形も1959年より電動ドラムに改造し、5100系などHL車もその後スイッチグループ(主制御器)はそのまま電動ドラム付きのABに改造し、ABFと総括制御可能として廃車になるまで使用するなど、まさに単位スイッチ王国であった。

 写真4 モ1450形営業開始時の姿(車号に白線入り) 1956年3月 上本町にて

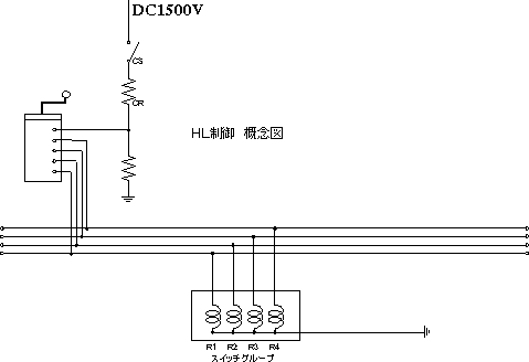
図1 HL制御 概念図

 図2 ドラム式ABF制御 概念図

モ2470系のABF制御

 今回動画記録したのはモ2470系のモ2474、モ2473、ク2582のMMT編成で、機器箱は1両目にLS、HBの入った断流器箱があり、2両目中間M車には左にリバーサなどの入った制御器箱、右にスイッチグループの並んだ接触器箱があり、その左にシーケンスドラム(順序開閉器、カム式)が付き、各箱には「昭和42年 三菱電機」の製造銘板があってドラム式最後のABFの製造年を示している。
 2両目の左側の制御器箱には左にリバーサ、界磁制御器、中央に制動転換器、CLR、右にリレー群を収めている。
 ビデオ撮影に当たっては、他形式の制御装置と共通する断流器、リバーサなどはできるだけ省略し、この車両でなければみられないシーケンスドラムの運動などを中心に、動作音も含めて記録した。
 このビデオはその電気回路図とともに近鉄に置いても保管して頂き、産業考古学の資料として残ることを願っている。撮影に当たりお世話になった近鉄、鉄道友の会名古屋支部にお礼を申し上げます。
 なお、ABF22の回路図についたは今回は省略する。

 写真5 モ2474の断流器箱 右よりHB、LS1〜4

 写真6 モ2473のシーケンスドラム(カム式)

 電空単位スイッチ制御器は、1989年にスプレーグが世界最初の総括制御を電動ドラムで実用してから6年後の1904年にウエスチングハウスにより開発された。このABシステムはバッテリー電源、単位スイッチ、自動進段で、進段方式はCLRと単位スイッチの連動接点による連動進段、インターロックプログレスであった。
 なおこの間の1901年にはGEの電磁単位スイッチによるMコントロールはDC600Vを制御電源とし、後には1500Vよりダイナモーター経由で制御回路に供給した。ウエスチングハウスの形式呼称は、Aは自動進段、Hは手動、Lは制御電源が架線電源、BはバッテリーのちMBフロートまたは低圧電源(DC12〜100V)、M〜多段、F〜界磁制御などを表すが、特別にS〜スポッティングなどを付け、あるいは独自の商品名を付ける場合もある。
 これらはWH系製品についての呼称であって、名鉄の元3800系をALと呼ぶのは不適切であり、国際的には通用しない。
 アメリカの電空スイッチは開発当初はABが多く使われたが、その後システムの簡易化、安価化を目指してAL、HL、HBが使われ、1910年頃からはHLF、HBF、ALF、ABF装置となり日本にも導入された。
 日本では1904年の甲武鉄道の一部がWH12形マスコンのHL、1909年の南海電2形がWH12マスコンのHB、1921年の電5がWH15マスコンのHLと見られ、以後日本では15B、15DマスコンのHLが全国各地に分布を広げた。特に1925年頃、三菱電機がライセンス生産を始めてからは普及が加速した。アメリカでは1913年にALF用のWH21マスコンが使われているので、15形はそれ以前の開発と思う。
 アメリカでのHLコントロール開発の経過を見ると、開発当初のABやMオートマチックは多くのRスイッチよりなる大型のスイッチグループを用い、AB、HBではバッテリーの保守も大変であった。その後中傷し鉄の普及に伴い安くて簡便な製品が求められ、GEのMKとともにHLが競争的に開発され、ともに成功を収めアメリカを始め世界中に普及した。
 「HL」の商品化では架線電圧をC回路に用い、最小限の単位スイッチと小さな制御抵抗、CLRは無しで簡易化し、最も洗練された製品となっている。これから基本的な変更はなく、名鉄では1980年頃まで100両以上が実用された。
 ニューヨーク、シカゴなどアメリカの主要鉄道では、1910年代より連動進段のABFがGE、PCと並んで主力となり、全米の市場を折半した。
 ウエスチングハウスでは1920年代よりABFコントロールに電空式のドラム進段のものが生まれ、連動進段と併用されたが、日本でもドラム式の名鉄6601のALF(WH)、2200などのABF(三菱電機)、東京地下鉄のABFと連動進段のWH、三菱電機の南海電鉄(以下、南海)のALF、ALM、阪神電鉄のALMが併用された。
 南海のALFは600V、200HP用の大容量製品で、南海は戦後のモハ63に至るまで長期間ALFなどの単位スイッチを採用した。
 ALF、ABFのドラム制御はFEのPCに似た空気シリンダを電磁弁で制御するものであった。
 この間には兵血のためアメリカで1910〜1920年代にはAL、ABとMコントロールを併結するALFMなどが作られ、日本でもMKとPCの併結や南海のALFとPCの併結(ALF-PC)が試みられた。

近代形制御装置

 アメリカでは1920年代には多段制御、ダイナミックブレーキなど制御の高度化の時代に入り、GEのPCM、PM、WHのVA、両者のPCCなどの進歩が続いていたが、日本には僅かしか導入されなかった。
 これらの多くはカムや整流子形などで、すでに単位スイッチは時代遅れの予感を示していた。
 しかし、1947年になるとWH社は画期的な単位スイッチ制御ABSを開発し、アメリカ、日本、スウェーデンなどの各地へ納入して成功を収めた。
 ABSは新素材を用いてパーツを新型化し、多段化と電空併用の常用ブレーキにより世界にその高性能を誇った。この際、連動進段のレスポンスの良さをダイナミックブレーキの制御に生かした。
 三菱電機がライセンス生産で量産した営団300系のABFMはWH社のABSと殆ど同じであるが、三菱電機はこれをベースにして1500V、1C8MのABFMなど多くの系列製品を生みだした。またABSの電磁弁など新型パーツはGEのMCMと共に何れも日本のメーカーや国鉄の取り入れる所となった。

単位スイッチの退潮

 1950年頃よりGEのMCM、SCMカム制御器およびこれらをベースとする国産カム制御器が普及すると、占有スペース、保守など全般に単位スイッチの不利が色濃くなり、日米とも高度な電動カムの時代へと移行していった。
 日本では冷房化やビスタカー、パノラマカー、SE車など優等車両の出現に伴い、ABFでは収容し切れず、三菱電機製あるいは他メーカーのカムに変わっていった。しかし営団地下鉄銀座線と丸の内線は運転、保守の統一を図るため長期間単位スイッチで統一し、ABF系を探領しようしたのは見識のあることであった。
 ブエノスアイレスのABFMはその優秀性からまだ何年も使われるものと信じる。
 近鉄2470系の廃車により、日本で実用で残る単位スイッチABFは、ドラム式の日立電鉄、連動進段の長野電鉄2000形、阪堺電鉄などわずかになった。
 なお戦後、三菱電機の命名がカムを含めABFMになったことは機構や進段の種別も分からなくなり芳しくない。同様に近鉄と日立製作所の省エネリサイクルの名作である直捲回生付きMMCに、MMC-Rなど分かりやすい命名を普及させなかったのも残念である。
 まとめとして日本にも国電の電空カムや私鉄の電動カムの世界のほか、もう一方に単位スイッチABFの世界があったことを認識して頂きたい。
 電鉄研究の諸兄は、AB、ABF制御の発展経過を理解することも電鉄研究の一環として重要なこともご理解頂きたく、ABFの系譜と近鉄独自の回生制御を知らずに近鉄を語るのは片手落ちであろう。

近鉄独自の回生ブレーキ

 主題とは別に、意外と知られていない近鉄の独自方式による省エネ、リサイクルの回生ブレーキに概説し、その功績を強調したい。
 このシステムは1981年頃より8000代電車の改造、新造に当たり、在来の直捲モーターをそのまま利用し、ブレーキはMGより界磁を他励して回生を行うもので、国鉄の添加励磁より早くから始められた。
 比較的簡単なシステムで奈良線の勾配に適応して成績は良く、多数が生まれて今も活躍を続け、その実用性を立証している。
 このシステムは在来の発電ブレーキ車のリサイクルにより回生ブレーキ(省エネと保安)を図ったものとして、もっと社会から評価されるべきものと思う。

おわりに

 以上、シーケンスドラム式ABFの終末と、HL〜ABFM系制御の略史、直捲Mによるユニークな回生制御につき紹介したが、大勢を示すにとどめたので詳細については同行諸兄の補正、強調を待つ次第である。


[ 白井昭電子博物館トップへ | 中部産業遺産研究会ホームページ | メールでのご意見・お問い合わせ ]

Copyright 2002 SHIRAI Akira, All rights reserved.